| Availability: | |
|---|---|
| Quantity: | |
EBST
Model | Voltage [V] | Frequency / Max Current [Hz] / [A] | Speed [rpm] | Max Power [W] | Max Airflow [m3/h] | Noise [dB(A)] | |
| B225P.E003 | 230 | 50/60 | 3060 | 215 | 1455 | 71.1 |
| B225P.D005 | 48 | 9.10 | 4000 | 437 | 1738 | 74.8 |
| B225P.D008 | 48 | 2.70 | 2810 | 130 | 1221 | 67.7 |
| B250P.E001 | 230 | 50/60 | 3170 | 295 | 1505 | 73.1 |
| B250P.D001 | 48 | 2.92 | 2810 | 140 | 1515 | 72 |
| B250P.A014 | 380 | 50 | 2700 | 198 | 1402 | 72.5 |
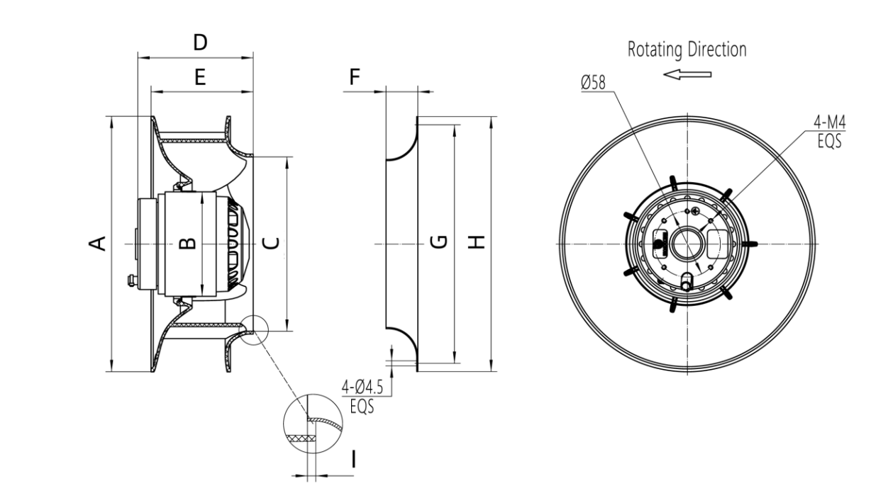
Model | A | B | C | D | E | F | G | H | I |
B225P.E003 | ∅225 | ∅92 | ∅154 | 99 | 89.5 | 28 | ∅210 | ∅224 | 3 |
B225P.D005 | ∅225 | ∅92 | ∅154 | 99 | 89.5 | 28 | ∅210 | ∅224.5 | 3 |
B225P.D008 | ∅225 | ∅92 | ∅154 | 99 | 89.5 | 28 | ∅210 | ∅224.5 | 3 |
B250P.E001 | ∅251 | ∅92 | ∅172.5 | 99 | 85.4 | 31 | ∅240 | ∅255 | 3 |
B250P.D001 | ∅251 | ∅92 | ∅172.5 | 100 | 85.4 | 31 | ∅240 | ∅255 | 3 |
B250P.A014 | ∅251 | ∅92 | ∅172 | 99 | 85.4 | 31 | ∅240 | ∅255 | 3 |
Adaptive airflow and air pressure adjust air supply on demand. It rapidly removes heat from core devices such as servers and GPUs, effectively reducing air resistance caused by wiring and stacked equipment inside cabinets. Constant temperature control ensures long-term high-load operation of equipment.
Equipped with backward-curved 3D flow impeller, it restrains air turbulence and minimizes friction and wind loss. Outstanding aerodynamic efficiency lowers power consumption, perfectly matching the heat dissipation requirements of row-mounted precision air conditioners.
Wide operating temperature range from -25°C to 60°C. Corrosion-resistant materials pass 720-hour salt spray test for excellent anti-oxidation and moisture resistance. IP54 protection grade prevents dust and foreign matter intrusion, suitable for complex data center working conditions.
Validated by 40,000-hour high and low temperature durability testing. It supports 7×24-hour continuous operation, ensures reliable cooling performance, and avoids equipment downtime risks caused by heat dissipation failure.
Q1: What are the core advantages of centrifugal fans for row-based precision air conditioners?
A1: High static pressure, compact structure, low noise and low vibration. Adapt to dense cabinet heat dissipation, support 24/7 continuous stable operation for data centers.
Q2: What motor types are optional?
A2: EC / AC / DC optional. EC fan supports intelligent speed regulation and energy saving; AC type is cost-effective and stable for standard projects.
Q3: Does it support intelligent speed control and linkage?
A3: Yes. Support 0-10V / PWM speed regulation and Modbus communication, auto adjust airflow by ambient temperature for energy saving.
Q4: What certifications can be provided?
A4: Comply with ISO 9001, CE and UL standards, meeting global safety, environmental and quality requirements for data centers.
Q5: How about daily maintenance and service life?
A5: Dustproof & anti-corrosion impeller, fully sealed bearing and easy-to-disassemble design, greatly reducing O&M cost with long service life.
